2015年7月的第一天,大众汽车位于德国Baunatal工厂发生了一起意外事故,一名工人在工作时被机器人抓起并挤压向一块金属板,最终导致死亡。类似的设备都会放置在安全笼中而避免和工人接触,而根据《金融时报》的报道,发生事故时该名工人正在安全笼之内。
2017年7月28日,国家安监总局召开2017年上半年新闻发布会,通报2017年上半年全国安全生产的总体形势:上半年全国发生生产安全事故2.24万起、死亡1.62万人,减少7637起、3406人,同比分别下降25.4%和17.4%。安全生产面对的形势依然严峻,“安全无小事”,这就要求企业管理者在安全事故发生前,能预先防范事故征兆、事故苗头,预先采取积极有效的防范措施。避免事故的发生,重在防范;要安全生产,必须以预防为主。
在制造业领域,对于在机器附近工作的人员,必须采用技术措施对他们进行适当的保护。常用的保护方式主要有两种:
1 在机器危险动作过程中使相关人员无法进入危险区
2 人员一旦进入危险区,机器的危险动作立即停止
为了准确地满足该目的,需要设计大量的安全功能,其中应用最广泛的就是急停功能,例如机器一旦出现异常情况,要求机器上必须设置必要的用于紧急停机的急停控制装置。
【紧急停止控制装置】
是一种用来防止人员、设备和环境受到潜在危险的伤害,且应用很广泛的组件。该类组件在出现紧急情况是停止启动操作。如急停按钮、拉伸开关等。
急停按钮
对于需满足SIL3或PLe的紧急停机,在ISO 13849-1中关于安全控制回路的结构设计,提出必须满足如下设计要求:
1 采用冗余结构设计
2 传感器监测(同步输入监测)
3 回路监测(监测原来类似与采用反馈回路实现的监测)
那么具体应如何设计才能满足上述要求呢?
这里举例,便于大家进一步的了解,可参考以下设计方案。
设计原理
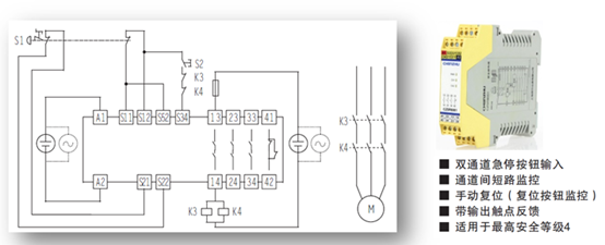
安全继电器对两个通道上的紧急停止控制装置进行监测。
当急停装置被激活后,安全继电器采用安全方式断开使能回路(即安全输出回路处于断开状态),并断开所连接的接触器(必要时,某些机器可能还要同时断开安全双联阀和/或电磁阀)。
这种应用方式,可到达的最高的等级为PLe,SIL3, Cat.4
注意:
如果紧急停止控制装置已经断开且反馈回路已经闭合,则可以按下“复位”按钮,重新启动设备。
重启前必须先进行复位,即只有进行复位后,重启功能才能执行。
至于何种情况下应采用何种复位方式(自动复位、手动复位、可监控复位),视具体行业的具体工艺要求而定。
需要注意的是:采用自动复位,必须对现场运行环境进行评估,确认自动复位后,并不会产生危险。
以上海辰竹仪表有限公司安全继电器CZSR8001-3A1B(M)为例,参考接线方式如下:
采用这种应用方式,可以达到的等级为:PLe,SIL3,Cat.4
当然,不同的机器根据所处的不同的状况及可能带来的不同危害风险,在安全回路设计时可根据实际需求,选择适当的安全等级目标进行设计。即可达到需求的安全保护目的,又能兼顾经济性。
下述则是采用安全继电器实现安全等级为SIL1或PLc的紧急停机。
在ISO 13849-1 中关于SIL1或PLc安全控制回路的结构设计,提出必须满足如下设计要求:
1 单通道结构设计
2 采用测试设备进行监测
此方案可达到的最高等级为PLc, SIL1, Cat.2
上述是对“紧急停止”的安全回路的一些参考案例,实际应用过程中,是否的确达到某一等级,需根据选用的安全部件(经过权威机构认证),及安全部件的能力、安全相关参数,及具体的设计方案,计算评估最终的安全回路等级。
通常在安全部件的制造厂家提供的《安全手册》中,也会提供相应的满足其最高设计安全等级能力的要求。
最后,有关“紧急停机”功能,应用时还要提醒注意以下几点:
PART 01
紧急停机”并不是降低危险的方法,不能避免或防止危险的发生。
PART 02
“紧急停机”的作用在于出现危险后,能避免或减小危险所造成的伤害,是一种补充性的安全功能。
PART 03
当按下“紧急停止”按钮后,电动机的电源必须断开,但不能断开其安全作用的辅助设备或装置。如,运输货物的机器手臂夹紧装置,当因某紧急情况,紧急停止机器手臂的运动,但此时,夹紧装置的电源千万不能断开,否则机器手臂是不动了,但夹持的货物被松开跌落,同样会造成新的损害事件。
关于更多安全继电器知识如下
保证机械安全,首先要选用符合机械安全标准的机械/产品。
而任何机械都存在一定的风险,为保证生产过程的安全,减少对劳动者的伤害。在现代生产中构建安全的系统进行保障就显得尤为重要。
一个安全的系统由安全的输入、安全的控制和安全的输出三个部分组成。这些安全输入和安全输出的信号,必须经由一个可靠的系统进行控制,如安全继电器。
图 安全继电器在注塑机械上的应用
安全继电器一般是由两个或多个继电器和电子电路组合而成,从而能互补彼此的异常缺陷,即便在任何一个元器件发生故障的情况下,它都能诊断到该故障,从而进入安全状态并且不会影响它对机器发出的停机指令,保证生产的安全。从结构上来说,安全继电器一般采用双通道结构,通道间能够互相诊断,并且用强制导向继电器来实现对输出触点熔结故障的诊断 。
安全继电器主要适用以下场合:
1 适用电磁门锁开关的应用,确保作业区的安全
2 适用钥匙配合安全门开关,作为检测门开闭之用
3 适用安全门限开关,检测门的位置,开或者关的应用
4 适用安全光幕,防止工作人员进入危险工作范围
5 适用安全垫开关,确认工作人员可以安全进入危险工作区域
6 适用紧急停止按钮,紧急情况下,停止机器运转
如何选择安全继电器?
首先,应根据应用场合(如紧急停止、安全门、安全光幕、双手按钮)、功能(单通道、双通道、手动复位、自动复位)来选择支持该应用、功能的安全继电器。安全继电器不同的应用,不同的功能、安全继电器的型号会有所不同。
其次,安全继电器最为核心的元件为强制导向继电器,强制导向继电器的性能好坏直接影响安全继电器的性能、质量等。一般而言,安全继电器厂商本身不会生产强制导向继电器,所以选择一个厂家的安全继电器还需要了解该型号内部强制导向继电器的生产商、性能等情况。
最后,最为重要的一点,安全继电器为安全回路中重要元件,欧美国家对安全继电器的认证要求十分严格,为强制认证。国内目前没有这方面的规定,这也是市面上安全继电器产品质量参差不齐的原因之一。所以选择一款安全继电器必须考虑该安全继电器认证的安全等级、认证机构。
适用于机械行业及设备配套的安全继电器
输入设备 |
产品型号 |
输出触点数量 |
电源 |
安全认证 |
备注 |
|||
NO |
NC |
Cat EN954-1 |
PL ISO13849-1 |
SIL IEC61508 |
||||
急停按钮 安全门 |
3 |
1 |
24V AC/DC |
Cat.4 |
PLe |
SIL3 |
||
2 |
2 |
24V AC/DC |
Cat.4 |
PLe |
SIL3 |
|||
3 |
1 |
24V AC/DC |
Cat.4 |
PLe |
SIL3 |
带复位监控功能 |
||
2 |
2 |
24V AC/DC |
Cat.4 |
PLe |
SIL3 |
带复位监控功能 |
||
4 |
0 |
24V DC |
Cat.4 |
PLe |
SIL3 |
带延时功能 |
||
4 |
0 |
24V DC |
Cat.4 |
PLe |
SIL3 |
带延时、复位监控 |
||
安全光幕 (PNP型) |
3 |
1 |
24V AC/DC |
Cat.4 |
PLe |
SIL3 |
||
2 |
2 |
24V AC/DC |
Cat.4 |
PLe |
SIL3 |
|||
安全光幕 (NPN型) |
3 |
1 |
24V DC |
Cat.4 |
PLe |
SIL3 |
||
2 |
2 |
24V DC |
Cat.4 |
PLe |
SIL3 |
|||
双手按钮 |
3 |
1 |
24V AC/DC |
Cat.4 |
PLe |
SIL3 |
||
2 |
2 |
24V AC/DC |
Cat.4 |
PLe |
SIL3 |
|||
安全地毯 |
3 |
1 |
24V AC/DC |
Cat.4 |
PLe |
SIL3 |
||
2 |
2 |
24V AC/DC |
Cat.4 |
PLe |
SIL3 |
|||
3 |
1 |
24V AC/DC |
Cat.4 |
PLe |
SIL3 |
带复位监控功能 |
||
2 |
2 |
24V AC/DC |
Cat.4 |
PLe |
SIL3 |
带复位监控功能 |
||
适用于过程控制行业(为过程控制行业应用开发的产品)
输入设备 |
产品型号 |
输出触点数量 |
电源 |
安全认证 |
备注 |
|
NO |
NC |
SIL IEC61508、IEC61511 |
||||
安全开关 |
1 |
0 |
24V DC |
SIL3 |
单通道 |
|
2 |
0 |
24V DC |
SIL3 |
双通道 |
||
1 |
0 |
24V DC |
SIL3 |
特种电梯、防爆 |
||
3 |
1 |
24V AC/DC |
SIL3 |
回路监控 |
||
2 |
2 |
24V AC/DC |
SIL3 |
故障反馈,回路监控 |
||
设计标准
严格依据环境、电磁兼容性、电气安全等多方面标准要求设计
亮点来袭:内部采用Fail-safe技术(即内部任何元件的任何一种失效的发生,都能保证安全输出)3重冗余技术触点熔结保护技术国际权威认证:
此次经国际权威认证机构德国TUV莱茵严格评估认定,满足SIL3级别,表明辰竹安全继电器产品的可靠性、完整性和质量控制均达到国际顶尖水平。










