↓↓ 辰竹原创文章,转载请标注出处 ↓↓
      在制造业领域,对于在机器附近工作的人员,必须采用技术措施对他们进行适当的保护。目前,机器较为常用的保护方式主要有两种:一是在机器危险动作过程中使相关人员无法进入危险区;另一种是人员一旦进入危险区,机器的危险动作立即停止。为了准确的满足该目的,需要设计大量的安全功能,其中应用最广泛的就是急停功能,例如机器一旦出现异常情况,要求机器上必须设置必要的用于紧急停机的急停控制装置(如急停按钮、拉伸开关等)。
紧急停止控制装置,如急停按钮,是一种用来防止人员、设备和环境受到潜在危险的伤害,且应用很广泛的组件。该类组件在出现紧急情况是停止启动操作。
对于需满足SIL3或PLe的紧急停机,在ISO 13849-1 中关于安全控制回路的结构设计,提出必须满足如下设计要求:
1、采用冗余结构设计;
2、传感器监测(同步输入监测);
3、使能回路监测(监测原来类似与采用反馈回路实现的监测);
4、所有子系统都具备高诊断覆盖率。
那么具体应如何设计才能满足上述要求呢?举例,便于大家进一步的了解,可参考(图一)的设计方案。此设计方案的工作原理为:安全继电器对两个通道上的紧急停止控制装置进行监测。当急停装置被激活后,安全继电器采用安全方式断开使能回路(即安全输出回路处于断开状态),并断开所连接的接触器(必要时,某些机器可能还要同时断开安全双联阀和/或电磁阀)。
图一
这种应用方式,可到达的最高安全等级见(图二)。
图二
如果紧急停止控制装置已经断开且反馈回路已经闭合,则可以按下“复位”按钮,重新启动设备。重启前必须先进行复位,即只有进行复位后,重启功能才能执行。
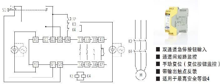
至于何种情况下应采用何种复位方式(自动复位、手动复位、可监控复位),视具体行业的具体工艺要求而定。以辰竹CZSR8001-3A1B(M)安全继电器为例,参考接线方式如(图三):
图三
当然,不同的机器根据所处的不同的状况及可能带来的不同危害风险,在安全回路设计时可根据实际需求,选择适当的安全等级目标进行设计。即可达到需求的安全保护目的,又能兼顾经济性。
下述则是采用安全继电器实现安全等级为SIL1或PLe的紧急停机。在ISO 13849-1 中关于SIL1或PLc安全控制回路的结构设计,提出必须满足如下设计要求:
1、单通道结构设计;
2、采用测试设备进行监测。
设计方案则可参考(图四) 。
图四
此方案可达到的最高安全等级见(图五)。
图五
上述是对“紧急停止”的安全回路的一些参考案例,实际应用过程中,是否的确达到某一等级,需根据选用的安全部件(经过权威机构认证),及安全部件的能力、安全相关参数,及具体的设计方案,计算评估最终的安全回路等级。通常在安全部件的制造厂家提供的《安全手册》中,也会提供相应的满足其最高设计安全等级能力的要求。
最后,有关“紧急停机”功能,应用时还要提醒注意以下几点:
1、“紧急停机”并不是降低危险的方法,不能避免或防止危险的发生。
2、“紧急停机”的作用在于出现危险后,能避免或减小危险所造成的伤害,是一种补充性的安全功能。
3、当按下“紧急停止”按钮后,电动机的电源必须断开,但不能断开其安全作用的辅助设备或装置。如,运输货物的机器手臂夹紧装置,当因某紧急情况,紧急停止机器手臂的运动,但此时,夹紧装置的电源千万不能断开,否则机器手臂是不动了,但夹持的货物被松开跌落,同样会造成新的损害事件。
↑↑ 辰竹原创文章,转载请标注出处 ↑↑
以上如有疑问或需更多支持,请与辰竹联系:
销售服务:021-64360668
技术支持:400 881 0780
邮 箱:chenzhu@chenzhu-inst.com
            
                    
                    
                
                




                            
                        



