DO信号(SIS系统)输入 (DO信号(SIS系统) 24V DC 2NO+2NC 5A)
CZSR8001-2A2B  DO信号(SIS系统)输入 (DO信号(SIS系统) 24V DC 2NO+2NC 5A)
CZSR8001-2A2B 是一款适用于急停按钮、安全门控开关、SIS系统中DO信号输入,具有2路NO(常开)安全输出触点和2路NC(常闭)辅助输出触点的安全继电器。它可选择单/双通道操作,手动/自动复位,并具有通道间短路监控功能。
输入设备:
DO信号(SIS系统)
供电电压:
24V DC
输出触点数:
2NO+2NC
触点切换容量:
5A
CZSR8001-2A2B
Product details
Technichal Data
Download
点击咨询
contrast
enquire

DO信号(SIS系统)输入 (DO信号(SIS系统) 24V DC 2NO+2NC 5A)

DO信号(SIS系统)输入 (DO信号(SIS系统) 24V DC 2NO+2NC 5A)

DO信号(SIS系统)输入 (DO信号(SIS系统) 24V DC 2NO+2NC 5A)

DO信号(SIS系统)输入 (DO信号(SIS系统) 24V DC 2NO+2NC 5A)

DO信号(SIS系统)输入 (DO信号(SIS系统) 24V DC 2NO+2NC 5A)

DO信号(SIS系统)输入 (DO信号(SIS系统) 24V DC 2NO+2NC 5A)

DO信号(SIS系统)输入 (DO信号(SIS系统) 24V DC 2NO+2NC 5A)

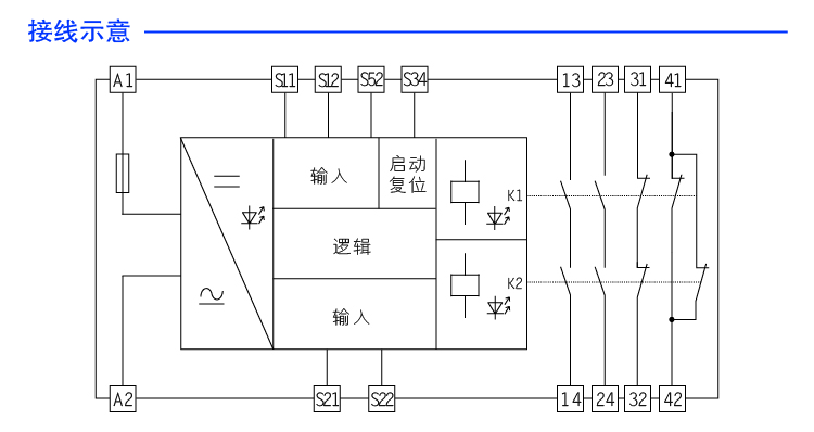
图示
产品应用
产品特征
电源参数
输入参数
输出参数
时间特性
使用环境
绝缘特性
产品尺寸、重量
外壳
功能安全认证
认证标准
安全参数(SIL)
安全参数(PL)
EMC参数
连接参数
安装
图示
应用图 尺寸图
DO信号(SIS系统)输入 (DO信号(SIS系统) 24V DC 2NO+2NC 5A) DO信号(SIS系统)输入 (DO信号(SIS系统) 24V DC 2NO+2NC 5A)
产品应用
应用 DO信号(SIS系统)
产品特征
特征 DO信号(SIS系统); 24V DC; 2NO+2NC; 5A
电源参数
供电电压(Ue) 24V DC/AC
电压容差 0.85~1.1
消耗电流 ≤90mA (24V DC); ≤180mA (24V AC)
电源保护 电源反向保护
供电方式 独立供电
电源连接方式 端子供电
输入参数
输入信号 DO信号
输入设备 DO信号(SIS系统)
输入电流 ≤50mA
导线电阻 ≤15Ω
输出参数
输出信号 继电器输出
触点数量 4
触点类型 2NO+2NC
触点材料 AgSnO₂ + 0.2μm Au
触点熔丝保护 10A gL/gG NEOZED(NO); 6A gL/gG NEOZED(NC)
切换容量 AC-15,5A/230V; DC-13,5A/24V
时间特性
吸合缓冲时间 自动复位: ≤300ms; 手动复位: ≤150ms
释放缓冲时间 急停操作:≤30ms;电源失效:≤100ms
恢复时间 急停操作:≤30ms;电源失效:≤100ms
电源短时中断 20ms
使用环境
连续工作温度 -20℃~+60℃
贮存温度 -40℃~+80℃
相对湿度 10%~90%
振动 频率: 10Hz~55Hz; 振幅: 0.35mm
绝缘特性
过压等级
污染等级 2
额定绝缘电压 250V AC
额定冲击耐压 输入端~输出端: 6000V (1.2/50us); 输出通道之间: 4000V (1.2/50us)
绝缘强度 1500V AC, 1min
绝缘电阻 输入端~输出端: ≥100MΩ; 输出通道之间: ≥100MΩ
电气间隙与爬电距离 符合EN 60947-1
产品尺寸、重量
深度 114.5mm
高度 99.0mm
宽度 22.5mm
外壳
材料 PA
防护等级 IP20
阻燃等级 UL94/V0
颜色 黄/灰
功能安全认证
认证机构 功能安全(TUV SIL); CE
认证标准
功能安全 SIL3 符合 IEC 61508
CE MD指令; LVD指令
安全参数(SIL)
设备类型 Type A
安全完整性等级(SIL) SIL 3
操作模式(低要求) IEC 61508-低要求
(低要求)安全失效分数(SFF) ≥99%
(低要求)检验测试间隔(PTI) 20年
(低要求)λS 8.59E-07
(低要求)λDU 6.06E-09
(低要求)λDD 6.00E-07
(低要求)平均失效概率(PFDAVG) 2.69E-05
(低要求)诊断覆盖率(DC) ≥99%
操作模式(高要求) IEC 61508-高要求
(高要求)安全失效分数(SFF) ≥99%
(高要求)检验测试间隔(PTI) 20年
(高要求)λS 8.59E-07
(高要求)λDU 6.06E-09
(高要求)λDD 6.00E-07
(高要求)每小时失效概率(PFH) 3.09E-10
(高要求)诊断覆盖率(DC) ≥99%
安全参数(PL)
性能等级 PL PL e
安全类别 Cat Cat. 4
停止等级 0
任务时间(TM) 20年
诊断覆盖率(DCavg) ≥99%
MTTR平均修复时间 0
MTTFd 平均危险失效时间 188年
10%元件危险失效平均周期数B10d 300000(5A)
EMC参数
电磁兼容性 符合IEC 61326-1(GB/T 18268), IEC 61326-3-1
电快速瞬变脉冲群抗扰度 依据标准: IEC 61326-3-1; 达到FS性能判据要求
浪涌(冲击)抗扰度 依据标准: IEC 61326-3-1; 达到FS性能判据要求
射频电磁场辐射抗扰度 依据标准: IEC 61326-3-1; 达到FS性能判据要求
静电放电抗扰度 依据标准: IEC 61326-3-1; 达到FS性能判据要求
射频场感应的传导骚扰抗扰度 依据标准: IEC 61326-3-1; 达到FS性能判据要求
低频共模传导 依据标准: IEC 61326-3-1; 达到FS性能判据要求
连接参数
刚性导线可用横截面范围 0.5~2.5mm²
柔性导线可用横截面范围 0.5~2.5mm²
最小导线横截面AWG 12
最大导线横截面AWG 24
剥线长度 8mm
螺纹 M3
连接方式 螺钉连接
最小紧固扭矩 0.5Nm
最大紧固扭矩 0.6Nm
安装
安装方式 DIN35mm导轨安装
"Hey, let's talk about your concerns~"
I Want To Ask Questions
Cancel
Submit
Select All
No.
Type
Name/Description
Language
Download
1
2
3
go contrast
empty contrast
My Enquiry 021-64360668
电话
QQ
QQ
电话
My Enquiry
0
Top
Top