交流电源SPD (220/380VAC 三相TN-S In=80kA Iimp=15kA) 7086079
CZLB-160/440/4P  交流电源SPD (220/380VAC 三相TN-S In=80kA Iimp=15kA) 7086079
380VAC三相TN-S交流电源SPD,标称放电电流In(8/20us):80kA/相,最大放电电流Imax(8/20us):160kA/相,冲击电流Iimp(10/350us):15kA,状态指示。
适用电压:
220/380VAC
适用配电系统:
三相TN-S
标称放电电流In:
80kA
遥信功能:
CZLB-160/440/4P
Product details
Technichal Data
点击咨询
contrast
enquire

交流电源SPD (220/380VAC 三相TN-S In=80kA Iimp=15kA) 7086079

交流电源SPD (220/380VAC 三相TN-S In=80kA Iimp=15kA) 7086079

交流电源SPD (220/380VAC 三相TN-S In=80kA Iimp=15kA) 7086079



图示
产品特征
保护类型
尺寸
外壳
基本参数
安全数据(防雷)
产品认证
认证标准
标准/规程
环境要求
连接参数
安装
图示
尺寸图 应用图
交流电源SPD (220/380VAC 三相TN-S In=80kA Iimp=15kA) 7086079 交流电源SPD (220/380VAC 三相TN-S In=80kA Iimp=15kA) 7086079
产品特征
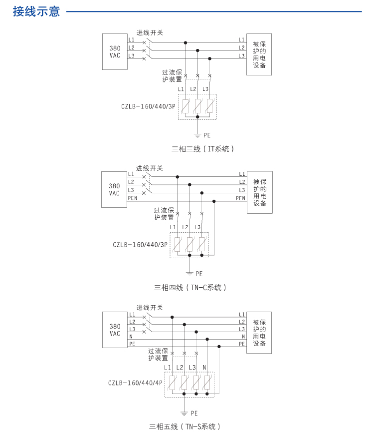
特征 160kA;三相五线(TN-S)
保护类型
保护类型 三相TN-S
尺寸
高度 91.0mm
深度 67.0mm
宽度 144.0mm
外壳
防护等级 IP20
材料 PA66
阻燃等级 V0
颜色 白灰
基本参数
额定工作电压Un 220VAC
最大工作电压Uc 440VAC
响应时间 25ns
线制 三相五线(TN-S)
漏电流 <20uA
安全数据(防雷)
标称放电电流In(8/20us) 80kA
最大放电电流Imax(8/20us) 160kA
冲击电流Iimp(10/350us) 15kA
电压保护水平Up(8/20us) 2.8kV
产品认证
认证 防雷认证
认证标准
防雷认证 上海防雷产品测试中心
标准/规程
名称 GB/T 18802.1 / IEC 61643-1
环境要求
连续工作温度 ﹣40—70℃
储存温度 ﹣40—85℃
相对湿度 10%—90%
适用场所 总配电箱
最大海拔高度 2000m
连接参数
刚性导线截面范围 4—35mm2
柔性导线截面范围 4—35mm2
剥线长度 12mm
连接方式 端子接线
最大紧固力矩 5Nm
安装
安装位置 配电箱
安装方式 35mm导轨
接口类型 螺丝
"Hey, let's talk about your concerns~"
I Want To Ask Questions
Cancel
Submit
Select All
No.
Type
Name/Description
Language
Download
1
2
3
go contrast
empty contrast
My Enquiry 021-64360668
电话
QQ
QQ
电话
My Enquiry
0
Top
Top