直流电流输入电量变送器
CZDL-IDC-10A  直流电流输入电量变送器
小巧的外壳结构,35mm标准导轨安装方式,多种电流、电压输出可选择。
通道数:
一进一出
输入:
0~1ADC
0~5ADC
0~10ADC
输出:
4~20mA
0~20mA
0~10V
1~5V
0~5V
供电方式:
220VAC
CZDL-IDC-10A
Product details
Technichal Data
Download
点击咨询
contrast
enquire

直流电流输入电量变送器

直流电流输入电量变送器

直流电流输入电量变送器


图示
基本参数
输入数据
输出数据
电源
尺寸
外壳
EMC数据
使用环境
连接参数
安装
图示
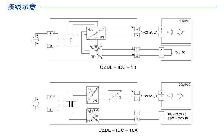
尺寸图 说明图 接线图
直流电流输入电量变送器 直流电流输入电量变送器 直流电流输入电量变送器
基本参数
通道数 1
输出精度(20°C) 0.5% F.S.
温度漂移 0.02% F.S./℃
响应时间 330ms达到最终值的90%
绝缘强度 输入~输出、电源端 2500V AC,50Hz,1min,电源端~输出 1500V AC,50Hz,1min
电磁兼容性 符合IEC 61326-1(GB/T 18268)
重量 约75g
输入数据
输入信号 0~5A DC;0~10A DC
输入阻抗 47mΩ;5mΩ
最大输入电流(Imax) 1.2×In(持续);2×In(1分钟)
输出数据
电流输出 0~20mA;4~20mA;0~10V;0~5V;1~5V
最大输出电流 30mA
电流输出负载电阻 RL≤550Ω
最大输出电压 15V
电压输出负载电阻 RL≥300kΩ
电源
供电电压(Us) 90~260V AC; 120~300V DC
额定功耗 ≤3VA
电源连接方式 接线端子
尺寸
深度 65.5mm
高度 99.0mm
宽度 22.5mm
外壳
材料 PC
防护等级 IP20
阻燃等级 UL94/V0
颜色
EMC数据
浪涌(冲击)抗扰度 依据标准 :IEC 61326-1;符合基本要求
静电放电抗扰度 依据标准 :IEC 61326-1;符合基本要求
使用环境
连续工作温度 -20℃~+60℃
贮存温度 -40℃~+80℃
相对湿度 10%~90%
环境要求 周围环境中不得有强烈振动、冲击以及大电流和火花等电磁感应营销,空气中应不含有对铬、镍、银镀层起腐蚀作用的介质,应不含有易燃、易爆的物质
连接参数
刚性导线可用横截面范围 0.5~2.5mm²
柔性导线可用横截面范围 0.5~2.5mm²
最小导线横截面AWG 12
最大导线横截面AWG 24
剥线长度 8mm
螺纹 M3
连接方式 螺钉连接
最小紧固扭矩 0.5 Nm
最大紧固扭矩 0.6 Nm
安装
安装方式 DIN35mm导轨安装
"Hey, let's talk about your concerns~"
I Want To Ask Questions
Cancel
Submit
Select All
No.
Type
Name/Description
Language
Download
1
2
3
go contrast
empty contrast
My Enquiry 021-64360668
电话
QQ
QQ
电话
My Enquiry
0
Top
Top