一进一出
                                            
                                                
                                                0~20AAC
                                            
                                                
                                                0~20ADC
                                            
                                                
                                                0~25AAC
                                            
                                                
                                                0~25ADC
                                            
                                                
                                                0~30AAC
                                            
                                                
                                                0~30ADC
                                            
                                                
                                                0~5V
                                            
                                                
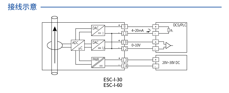
                                                0~10V
                                            
                                                
                                                1~5V
                                            
                                                
                                                0~20mA
                                            
                                                
                                                4~20mA
                                            
                                                
                                                24VDC
                                            | 特征 | 真有效值测量TRMS | 
| 通道数 | 1 | 
| 输出精度(20°C) | 0.5%F.S. | 
| 温度漂移 | 0.03%F.S./℃ | 
| 响应时间 | 330ms达到最终值的90% | 
| 绝缘强度 | 4000V AC,1分钟(电源、输出~输入之间) ,1500V AC,1分钟(电源~输出之间) | 
| 电磁兼容性 | 符合IEC 61326-1(GB/T 18268) | 
| 重量 | 约100g | 
| 输入信号 | 0~20A;0~25A;0~30A | 
| 最大输入电流(Imax) | 取决于输入载流导线 | 
| 输入频率范围 | 15Hz~400Hz | 
| 输出信号 | 0~20mA;4~20mA;0~10V;0~5V;1~5V | 
| 最大输出电流 | <22mA | 
| 电流输出负载电阻 | RL≤550Ω | 
| 最大输出电压 | ±12V | 
| 电压输出负载电阻 | RL≥10kΩ | 
| 供电电压(Ue) | 20~30V DC | 
| 消耗电流 | (24V供电,20mA输出时) ≤50mA | 
| 额定功耗 | ≤1.2W | 
| 电源连接方式 | 接线端子 | 
| 深度 | 114.5mm | 
| 高度 | 99.0mm | 
| 宽度 | 22.5mm | 
| 材料 | PC | 
| 防护等级 | IP20 | 
| 阻燃等级 | UL94/V0 | 
| 颜色 | 绿 | 
| 电快速瞬变脉冲群抗扰度 | 依据标准 :IEC 61326-1;符合基本要求 | 
| 浪涌(冲击)抗扰度 | 依据标准 :IEC 61326-1;符合基本要求 | 
| 射频电磁场辐射抗扰度 | 依据标准 :IEC 61326-1;符合基本要求 | 
| 静电放电抗扰度 | 依据标准 :IEC 61326-1;符合基本要求 | 
| 射频场感应的传导骚扰抗扰度 | 依据标准 :IEC 61326-1;符合基本要求 | 
| 低频共模传导 | 依据标准 :IEC 61326-1;符合基本要求 | 
| 连续工作温度 | -20℃~+60℃ | 
| 贮存温度 | -40℃~+80℃ | 
| 相对湿度 | 10%~90% | 
| 环境要求 | 周围环境中不得有强烈振动、冲击以及大电流和火花等电磁感应营销,空气中应不含有对铬、镍、银镀层起腐蚀作用的介质,应不含有易燃、易爆的物质 | 
| 刚性导线可用横截面范围 | 0.5~2.5mm² | 
| 柔性导线可用横截面范围 | 0.5~2.5mm² | 
| 最小导线横截面AWG | 12 | 
| 最大导线横截面AWG | 24 | 
| 剥线长度 | 8mm | 
| 螺纹 | M3 | 
| 连接方式 | 螺钉连接 | 
| 最小紧固扭矩 | 0.5 Nm | 
| 最大紧固扭矩 | 0.6 Nm | 
| 安装方式 | DIN35mm导轨安装 | 
                        
                        Select All