一进一出 模拟量输出隔离器
CZ3567  一进一出 模拟量输出隔离器
可驱动内阻高达800Ω的阀门定位器,4~20mA或0~20mA均保证精度,转换精度高于万分之五(0.05%F.S.)。
通道数:
一进一出
输入:
0/4~20mA
输出:
0/1~5V
0/4~20mA
供电方式:
24VDC
电源连接方式:
导轨总线供电
CZ3567
Product details
Technichal Data
Download
点击咨询
contrast
enquire

一进一出 模拟量输出隔离器

一进一出 模拟量输出隔离器

一进一出 模拟量输出隔离器

一进一出 模拟量输出隔离器


可插拔接线端子 

一进一出 模拟量输出隔离器


安装与拆卸






















CHENZHU EPLAN CZ3567.edz

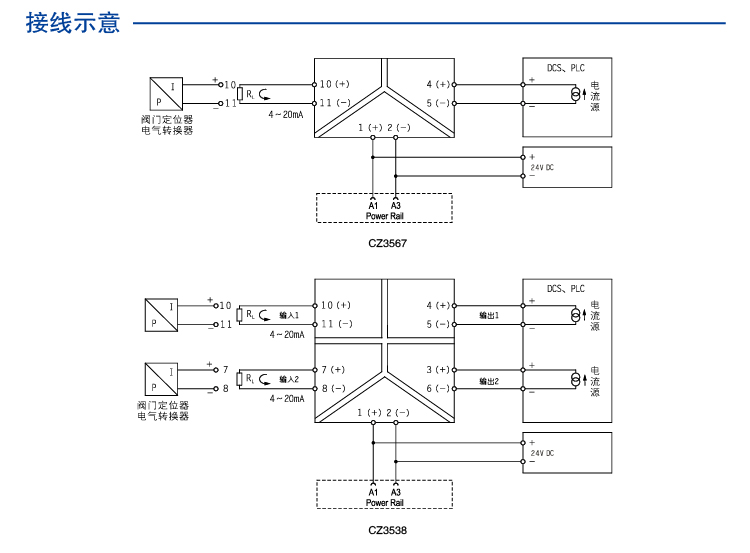
图示
基本参数
输入数据
输出数据
电源
尺寸
外壳
EMC数据
使用环境
连接参数
安装
图示
尺寸图 应用图
一进一出 模拟量输出隔离器 一进一出 模拟量输出隔离器
基本参数
通道数 1进1出
输出精度(20°C) 0.1%F.S.(典型值:0.05%F.S.)
温度漂移 0.005%F.S./℃
响应时间 0.5ms达到最终值的90%
绝缘强度 1500V AC,1分钟(电源、输入、输出之间)
绝缘电阻 ≥100MΩ;500V DC (电源、输入、输出与外壳之间)
电磁兼容性 符合IEC 61326-1(GB/T 18268)
重量 约150g
连接的现场设备 二线制阀门定位器;电气转换器
输入数据
输入信号 0~20mA;4~20mA
输入压降 ≤2V
最大输入电流 <30mA
输出数据
输出信号 电流;电压
输出电流 0~20mA;4~20mA
电流输出负载电阻 RL≤800Ω
输出电压 0~5V;1~5V
电压输出负载电阻 RL≥330kΩ
电源
供电电压(Ue) 20~35V DC
电源保护 电源反向保护
消耗电流 (24V供电,20mA输出时)≤40mA
供电方式 独立供电
电源连接方式 端子供电;导轨供电
尺寸
深度 114.5mm
高度 99.0mm
宽度 12.5mm
外壳
材料 PA
防护等级 IP20
阻燃等级 UL94/V0
颜色
EMC数据
电快速瞬变脉冲群抗扰度 依据标准:IEC 61326-1;A级
浪涌(冲击)抗扰度 依据标准:IEC 61326-1;A级
射频电磁场辐射抗扰度 依据标准:IEC 61326-1;符合基本要求
静电放电抗扰度 依据标准:IEC 61326-1;A级
射频场感应的传导骚扰抗扰度 依据标准:IEC 61326-1;符合基本要求
使用环境
连续工作温度 -20℃~+60℃
贮存温度 -40℃~+80℃
相对湿度 10%~90%
环境要求 周围环境中不得有强烈振动、冲击以及大电流和火花等电磁感应营销,空气中应不含有对铬、镍、银镀层起腐蚀作用的介质,应不含有易燃、易爆的物质
连接参数
刚性导线可用横截面范围 0.5~2.5mm²
柔性导线可用横截面范围 0.5~2.5mm²
最小导线横截面AWG 12
最大导线横截面AWG 24
剥线长度 8mm
螺纹 M3
连接方式 螺钉连接
最小紧固扭矩 0.5 Nm
最大紧固扭矩 0.6 Nm
安装
安装方式 DIN35mm导轨安装
"Hey, let's talk about your concerns~"
I Want To Ask Questions
Cancel
Submit
Select All
No.
Type
Name/Description
Language
Download
1
Technical drawings
Chinese
2
Manual
Chinese
1
2
3
go contrast
empty contrast
My Enquiry 021-64360668
电话
QQ
QQ
电话
My Enquiry
0
Top
Top