一进一出  热电偶输入隔离器(回路供电)
CZ3177  一进一出 热电偶输入隔离器(回路供电)
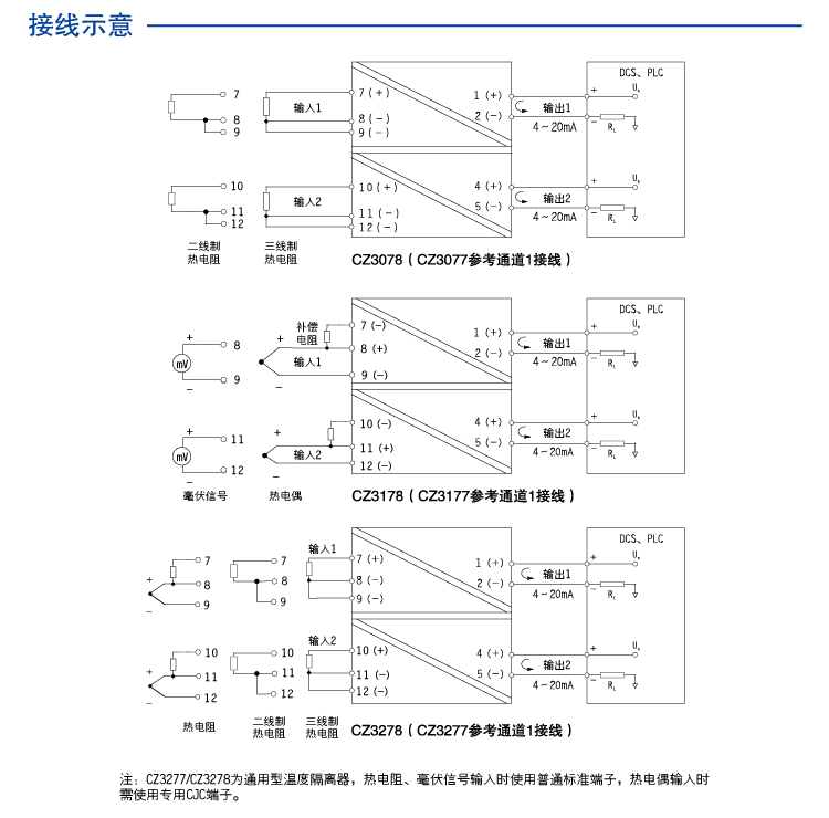
一进一出 热电偶输入隔离器(回路供电),将现场热电偶信号经数字线性化处理,转换成温度成线性的4~20mA电流信号隔离输出。CZ3078是智能型的,热电偶输入有冷端自动补偿功能,可通过计算机对热电偶的分度号、量程范围进行组态。
通道数:
一进一出
输入信号:
热电偶T型
热电偶E型
热电偶J型
热电偶K型
热电偶N型
热电偶R型
热电偶S型
热电偶B型
输出信号:
4~20mA(无源)
供电方式:
回路供电
电源连接方式:
端子供电
CZ3177
Product details
Technichal Data
Download
点击咨询
contrast
enquire

一进一出  热电偶输入隔离器(回路供电)

一进一出  热电偶输入隔离器(回路供电)

一进一出  热电偶输入隔离器(回路供电)


一进一出  热电偶输入隔离器(回路供电)


可插拔接线端子 

一进一出  热电偶输入隔离器(回路供电)


安装与拆卸


一进一出  热电偶输入隔离器(回路供电)

一进一出  热电偶输入隔离器(回路供电)

一进一出  热电偶输入隔离器(回路供电)


CHENZHU EPLAN CZ3177.edz

图示
基本参数
输入数据
输出数据
电源
尺寸
外壳
EMC数据
使用环境
连接参数
安装
其他参数
图示
尺寸图 应用图 说明图
一进一出  热电偶输入隔离器(回路供电) 一进一出  热电偶输入隔离器(回路供电) 一进一出  热电偶输入隔离器(回路供电)
基本参数
通道数 1进1出
温度漂移 0.01%F.S./℃
响应时间 1s达到最终值的90%
绝缘强度 1500V AC,1分钟(电源、输入、输出之间)
绝缘电阻 ≥100MΩ;500V DC (电源、输入、输出与外壳之间)
电磁兼容性 符合IEC 61326-1(GB/T 18268)
重量 约150g
连接的现场设备 热电偶;毫伏信号传感器
输入数据
输入信号 T/E/J/K/N/R/S/B 热电偶;毫伏信号
输出数据
输出信号 4~20mA;
电流输出负载电阻 RL≤(Ue-12)/0.021
报警指示 下限溢出报警,输出电流约3.8mA;上线溢出、断线报警,输出电流约20.8mA
电源
供电电压(Ue) 12~30V DC
电源保护 电源反向保护
供电方式 回路供电
电源连接方式 端子供电
尺寸
深度 114.5mm
高度 99.0mm
宽度 17.5mm
外壳
材料 PA
防护等级 IP20
阻燃等级 UL94/V0
颜色
EMC数据
电快速瞬变脉冲群抗扰度 依据标准:IEC 61326-1;A级
浪涌(冲击)抗扰度 依据标准:IEC 61326-1;B级
射频电磁场辐射抗扰度 依据标准:IEC 61326-1;符合基本要求
静电放电抗扰度 依据标准:IEC 61326-1;A级
射频场感应的传导骚扰抗扰度 依据标准:IEC 61326-1;符合基本要求
低频共模传导 依据标准:IEC 61326-1;符合基本要求
使用环境
连续工作温度 -20℃~+60℃
贮存温度 -40℃~+80℃
相对湿度 10%~90%
环境要求 周围环境中不得有强烈振动、冲击以及大电流和火花等电磁感应营销,空气中应不含有对铬、镍、银镀层起腐蚀作用的介质,应不含有易燃、易爆的物质
连接参数
刚性导线可用横截面范围 0.5~2.5mm²
柔性导线可用横截面范围 0.5~2.5mm²
最小导线横截面AWG 12
最大导线横截面AWG 24
剥线长度 8mm
螺纹 M3
连接方式 螺钉连接
最小紧固扭矩 0.5 Nm
最大紧固扭矩 0.6 Nm
安装
安装方式 DIN35mm导轨安装
其他参数
冷端补偿精度 ±1℃(补偿范围:-20℃~+60℃)
"Hey, let's talk about your concerns~"
I Want To Ask Questions
Cancel
Submit
Select All
No.
Type
Name/Description
Language
Download
1
Software
Chinese
2
Technical drawings
Chinese
3
Manual
Chinese
1
2
3
go contrast
empty contrast
My Enquiry 021-64360668
电话
QQ
QQ
电话
My Enquiry
0
Top
Top