一进一出
                                            
                                                
                                                热电阻Cu50
                                            
                                                
                                                热电阻Cu100
                                            
                                                
                                                热电偶T型
                                            
                                                
                                                热电偶E型
                                            
                                                
                                                热电偶J型
                                            
                                                
                                                热电偶K型
                                            
                                                
                                                热电偶N型
                                            
                                                
                                                热电偶R型
                                            
                                                
                                                热电偶S型
                                            
                                                
                                                热电偶B型
                                            
                                                
                                                4~20mA(无源)
                                            
                                                
                                                回路供电
                                            
                                                
                                                端子供电
                                            ![]() 可插拔接线端子  | 
   安装与拆卸  | 
  
CHENZHU EPLAN CZ3277.edz
| 通道数 | 1进1出 | 
| 温度漂移 | 0.01%F.S./℃ | 
| 响应时间 | 1s达到最终值的90% | 
| 绝缘强度 | 1500V AC,1分钟(电源、输入、输出之间) | 
| 绝缘电阻 | ≥100MΩ;500V DC (电源、输入、输出与外壳之间) | 
| 电磁兼容性 | 符合IEC 61326-1(GB/T 18268) | 
| 重量 | 约150g | 
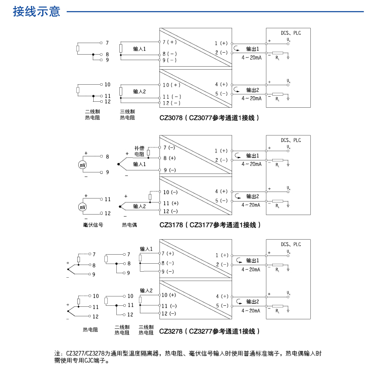
| 连接的现场设备 | 二线制热电阻;三线制热电阻;热电偶 | 
| 输入信号 | Pt100/Cu50/Cu100 热电阻;T/E/J/K/N/R/S/B 热电偶 | 
| 输出信号 | 4~20mA; | 
| 电流输出负载电阻 | RL≤(Ue-12)/0.021 | 
| 报警指示 | 下限溢出报警,输出电流约3.8mA;上线溢出、断线报警,输出电流约20.8mA | 
| 供电电压(Ue) | 12~30V DC | 
| 电源保护 | 电源反向保护 | 
| 供电方式 | 回路供电 | 
| 电源连接方式 | 端子供电 | 
| 深度 | 114.5mm | 
| 高度 | 99.0mm | 
| 宽度 | 17.5mm | 
| 材料 | PA | 
| 防护等级 | IP20 | 
| 阻燃等级 | UL94/V0 | 
| 颜色 | 白 | 
| 电快速瞬变脉冲群抗扰度 | 依据标准:IEC 61326-1;A级 | 
| 浪涌(冲击)抗扰度 | 依据标准:IEC 61326-1;B级 | 
| 射频电磁场辐射抗扰度 | 依据标准:IEC 61326-1;符合基本要求 | 
| 静电放电抗扰度 | 依据标准:IEC 61326-1;A级 | 
| 射频场感应的传导骚扰抗扰度 | 依据标准:IEC 61326-1;符合基本要求 | 
| 低频共模传导 | 依据标准:IEC 61326-1;符合基本要求 | 
| 连续工作温度 | -20℃~+60℃ | 
| 贮存温度 | -40℃~+80℃ | 
| 相对湿度 | 10%~90% | 
| 环境要求 | 周围环境中不得有强烈振动、冲击以及大电流和火花等电磁感应营销,空气中应不含有对铬、镍、银镀层起腐蚀作用的介质,应不含有易燃、易爆的物质 | 
| 刚性导线可用横截面范围 | 0.5~2.5mm² | 
| 柔性导线可用横截面范围 | 0.5~2.5mm² | 
| 最小导线横截面AWG | 12 | 
| 最大导线横截面AWG | 24 | 
| 剥线长度 | 8mm | 
| 螺纹 | M3 | 
| 连接方式 | 螺钉连接 | 
| 最小紧固扭矩 | 0.5 Nm | 
| 最大紧固扭矩 | 0.6 Nm | 
| 安装方式 | DIN35mm导轨安装 | 
| 冷端补偿精度 | ±1℃(补偿范围:-20℃~+60℃) | 
                        
                        Select All