24V电压系统通用型SPD
T-24-L  24V电压系统通用型SPD
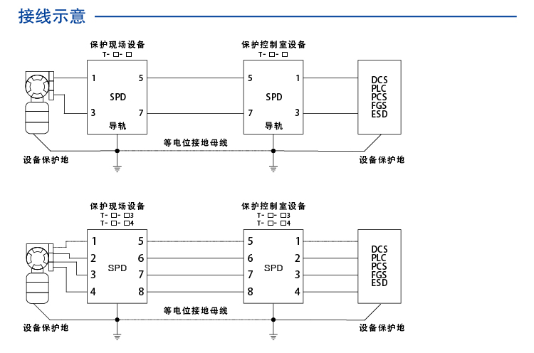
24V信号SPD,二线制,适用于线对地隔离电压>500V信号回路,最大放电电流Imax(8/20us):20kA/线,12.5mm超薄,通过DIN35金属导轨接地。
T-24-L
Product details
Technichal Data
Download
点击咨询
contrast
enquire

24V电压系统通用型SPD

24V电压系统通用型SPD

24V电压系统通用型SPD



24V电压系统通用型SPD


电涌防护模块支持热插拔 

24V电压系统通用型SPD


安装与拆卸


24V电压系统通用型SPD

24V电压系统通用型SPD

24V电压系统通用型SPD

24V电压系统通用型SPD


"Hey, let's talk about your concerns~"
I Want To Ask Questions
Cancel
Submit
Select All
No.
Type
Name/Description
Language
Download
1
Manual
Chinese
2
Manual
Chinese
1
2
3
go contrast
empty contrast
My Enquiry 021-64360668
电话
QQ
QQ
电话
My Enquiry
0
Top
Top