交流电源型SPD(20kA)
CZLB-20/320/2P  交流电源型SPD(20kA)
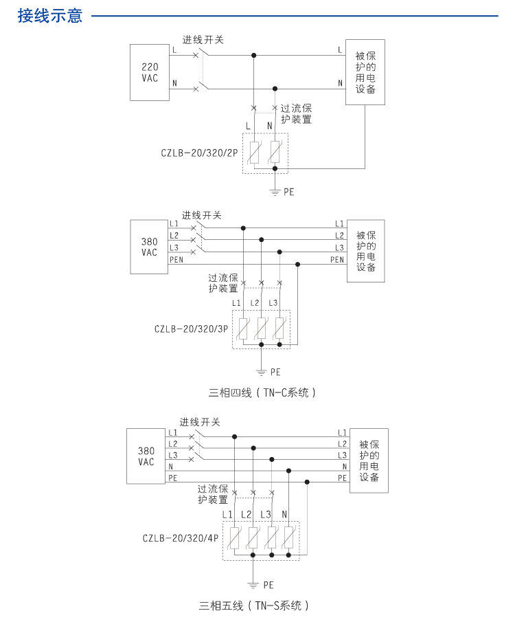
交流电源型SPD,In=10kA,Imax=20kA,适合220/380VAC电源单相系统,安装于防雷分区LPZ1与LPZ2、后续防护区的边界,电涌防护模块支持热插拔,有工作状态指示窗口,具有遥信功能。
CZLB-20/320/2P
Product details
Technichal Data
点击咨询
contrast
enquire

交流电源型SPD(20kA)

交流电源型SPD(20kA)

交流电源型SPD(20kA)

交流电源型SPD(20kA)

交流电源型SPD(20kA)


图示
产品特征
保护类型
尺寸
外壳
基本参数
安全数据(防雷)
产品认证
认证标准
标准/规程
环境要求
连接参数
安装
图示
尺寸图 应用图
交流电源型SPD(20kA) 交流电源型SPD(20kA)
产品特征
特征 20kA;单相二线;单相三线
保护类型
保护类型 单相
尺寸
高度 90.0mm
深度 68.0mm
宽度 36.0mm
外壳
防护等级 IP20
材料 PA66
阻燃等级 V0
颜色 白灰
基本参数
额定工作电压Un 220VAC
最大工作电压Uc 320VAC
响应时间 25ns
线制 单相二线
漏电流 <10uA
安全数据(防雷)
标称放电电流In(8/20us) 10kA
最大放电电流Imax(8/20us) 20kA
电压保护水平Up(8/20us) 1.5kV
产品认证
认证 防雷认证
认证标准
防雷认证 上海防雷产品测试中心
CQC认证 CQC标志认证
标准/规程
名称 GB 18802.1 / IEC 61643-1
环境要求
连续工作温度 ﹣40—70℃
储存温度 ﹣40—85℃
相对湿度 10%—90%
适用场所 终端配电箱
最大海拔高度 2000m
连接参数
刚性导线截面范围 4—35mm2
柔性导线截面范围 4—35mm2
剥线长度 12mm
连接方式 端子接线
最大紧固力矩 5Nm
安装
安装位置 配电箱
安装方式 35mm导轨
接口类型 螺丝
"Hey, let's talk about your concerns~"
I Want To Ask Questions
Cancel
Submit
Select All
No.
Type
Name/Description
Language
Download
1
2
3
go contrast
empty contrast
My Enquiry 021-64360668
电话
QQ
QQ
电话
My Enquiry
0
Top
Top