交流电压输入电量变送器
CZDL-VAC-370A  交流电压输入电量变送器
小巧的外壳结构,35mm标准导轨安装方式,多种电流、电压输出可选择。
通道数:
一进一出
输入:
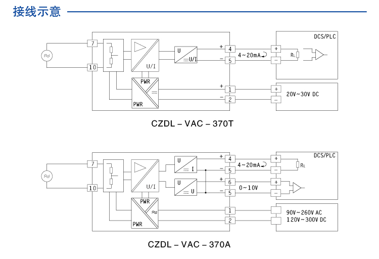
0~120VAC
0~250VAC
0~500VAC
输出:
0~5V
0~10V
1~5V
0~20mA
4~20mA
供电方式:
220VAC
CZDL-VAC-370A
Product details
Technichal Data
Download
点击咨询
contrast
enquire

交流电压输入电量变送器

交流电压输入电量变送器

交流电压输入电量变送器


CHENZHU EPLAN CZDL-VAC-370A.edz

基本参数
输入数据
输出数据
电源
尺寸
外壳
EMC数据
使用环境
连接参数
安装
基本参数
通道数 1
输出精度(20°C) 0.5% F.S.
温度漂移 0.02% F.S./℃
响应时间 330ms达到最终值的90%
绝缘强度 输入~输出、电源端 2500V AC,50Hz,1min,电源端~输出 1500V AC,50Hz,1min
电磁兼容性 符合IEC 61326-1(GB/T 18268)
重量 约75g
输入数据
输入阻抗 100kΩ;200kΩ;240kΩ;500kΩ;1MΩ
输入电压(Un) 0~48V AC;0~100V AC;0~120V AC;0~250V AC;0~500V AC
最大输入电压(Umax) 1.2×Un(持续);2×Un(1分钟)
输入频率范围 40Hz~400Hz(正弦)
输出数据
输出信号 0~20mA;4~20mA;0~10V;0~5V;1~5V
最大输出电流 30mA
电流输出负载电阻 RL≤550Ω
最大输出电压 15V
电压输出负载电阻 RL≥300kΩ
电源
供电电压(Ue) 90~260V AC; 120~300V DC
额定功耗 ≤3VA
电源连接方式 接线端子
尺寸
深度 65.5mm
高度 99.0mm
宽度 22.5mm
外壳
材料 PC
防护等级 IP20
阻燃等级 UL94/V0
颜色
EMC数据
电快速瞬变脉冲群抗扰度 依据标准 :IEC 61326-1;符合基本要求
静电放电抗扰度 依据标准 :IEC 61326-1;符合基本要求
浪涌(冲击)抗扰度 依据标准 :IEC 61326-1;符合基本要求
射频电磁场辐射抗扰度 依据标准 :IEC 61326-1;符合基本要求
射频场感应的传导骚扰抗扰度 依据标准 :IEC 61326-1;符合基本要求
低频共模传导 依据标准 :IEC 61326-1;符合基本要求
使用环境
连续工作温度 -20℃~+60℃
贮存温度 -40℃~+80℃
相对湿度 10%~90%
环境要求 周围环境中不得有强烈振动、冲击以及大电流和火花等电磁感应营销,空气中应不含有对铬、镍、银镀层起腐蚀作用的介质,应不含有易
连接参数
刚性导线可用横截面范围 0.5~2.5mm²
柔性导线可用横截面范围 0.5~2.5mm²
最小导线横截面AWG 12
最大导线横截面AWG 24
剥线长度 8mm
螺纹 M3
连接方式 螺钉连接
最小紧固扭矩 0.5 Nm
最大紧固扭矩 0.6 Nm
安装
安装方式 DIN35mm导轨安装
"Hey, let's talk about your concerns~"
I Want To Ask Questions
Cancel
Submit
Select All
No.
Type
Name/Description
Language
Download
1
Technical drawings
Chinese
1
2
3
go contrast
empty contrast
My Enquiry 021-64360668
电话
QQ
QQ
电话
My Enquiry
0
Top
Top